Радиальные вентиляторы ВР-132-30 высокого давления
Радиальные вентиляторы ВР-132-30 высокого давления
Радиальные вентиляторы высокого давления ВР-132-30 высокого давления с назад загнутыми лопатками — позволяют перемещать значительные объемы воздуха по вентиляционным каналам на большие расстояния и (или) при высоком сопротивлении оборудования и используются для замены вентиляторов типа ВВД, ВЦ6-28, ВР 120-28, ВР 130-28.
Радиальные вентиляторы ВР-132-30 широко применяются в системах вентиляции и кондиционирования производственных, общественных и жилых зданий, в системах обеспечения производственных процессов в различных отраслях экономики.
- Радиальный вентилятор 315
- Радиальный вентилятор 355
- Радиальный вентилятор 400
- Радиальный вентилятор 450
- Радиальный вентилятор 500
- Радиальный вентилятор 560
- Радиальный вентилятор 630
- Радиальный вентилятор 710
- Радиальный вентилятор 800
- Радиальный вентилятор 900
- Радиальный вентилятор 1000
- Радиальный вентилятор 1120
- Радиальный вентилятор 1250
Вентиляторы высокого давления ВР-132-30 изготавливаются 13 типоразмеров с диаметрами рабочих колес от 315 до 1250 мм и обеспечивают широкую область режимов по производительности от 500 до 50 700 м³/ч и по полному давлению до 12,5 кПа.
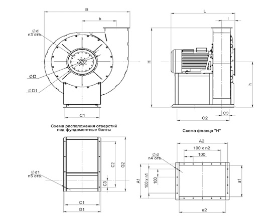
Общие сведения ВР-132-30:
- высокого давления;
- одностороннего всасывания;
- корпус спиральный поворотный
- назад загнутые лопатки;
- количество лопаток – 16;
- направление вращения – правое и левое
Типоразмерный ряд ВР-132-30:
Вентиляторы изготавливаются по 1-й конструктивной схеме 13 типоразмеров с номинальными диаметрами рабочих колес, мм:
315; 355; 400; 450; 500; 560; 630; 710; 800; 900; 1000; 1120; 1250.
Назначение вентиляторов высокого давления ВР-132-30:
- общего назначения...............................................................................................................без обозначения
- общего назначения теплостойкие до 200 °С..........................................................................................Т
- коррозионностойкие из нержавеющей стали..........................................................................................К
- коррозионностойкие теплостойкие до 200 °С.....................................................................................КТ
Условия эксплуатации ВР-132-30:
Вентиляторы должны устанавливаться вне обслуживаемого помещения и за пределом зоны постоянного пребывания людей.
Вентиляторы могут эксплуатироваться в условиях умеренного (У); умеренного и холодного (УХЛ) и тропического (Т) климата 2-й и 3-й категории размещения по ГОСТ 15150-69. При защите электродвигателя от прямого воздействия солнечного излучения и атмосферных осадков для умеренного климата – 1-я категория размещения.
температура окружающей среды:
-45 до +40 °С для умеренного климата,
-60 до +40 °С для умеренного и холодного климата,
-10 до +45 °С для тропического климата;
Среднее значение виброскорости внешних источников вибрации в местах установки вентилятора не более 2 мм/с.
По запросу производим сейсмостойкие вентиляторы ВР-132-30.
Оставьте свои данные и мы
поможем вам подобрать
оборудование
